COCO - CAPE-OPEN to CAPE-OPEN simulation environment
 Sample Flowsheets
Sample flowsheets
file
requires
description
HDA (HydroDeAlkylation)
fsdHDA.fsd COFE, COUSCOUS, ChemSep, TEA, CORN This case study is a modified version of the 1967 American Institute of Chemical Engineers student contest problem for the dealkylation of toluene to benzene with hydrogen, see "Conceptual Design of Chemical Processes", McGrawHill, 1988, or J.M Douglas, AIChE J., Vol. 31 (1985) p. 353. It features a gas phase reaction with gas recycle as well as a separation train with a recycle of unreacted toluene.
preview...
Cavett-problem
fsdCavett.fsd COFE, COUSCOUS, TEA R.H. Cavett (Cavett, R. H., 'Application of Numerical Methods to the Convergence of Simulated Processes Involving Recycle Loops', American Petroleum Institute, 43, 57, 1963) devised a now famous problem to test tearing, sequencing and convergence procedures of flowsheet simulation programs. The flowsheet is equivalent to a four theoretical stage near isothermal distillation (rather than a conventional near isobaric type).
preview...
Ethanol conversion example
fsdFlowsheetingWithCOCOandChemSep.fsd COFE, ChemSep, COUSCOUS, CORN, TEA This is an example flowsheet for a simple process in which ethanol is converted diethyl ether. The reaction also produces water and two distillation columns are employed to separate the reactor product; unreacted ethanol is recycled. This example is part of an instruction course on the combined use of COCO and The course notes explain how to use COCO and Chemsep in a step-by-step fashion.
preview...
Extractive distillation of MethylCycloHexane/Toluene
fsdCScasebook_MCHT.fsd COFE, ChemSep, COUSCOUS, TEA We need to separate an equimolar mixture of methylcyclohexane (MCH) and toluene (T), and do so by extractive distillation with phenol (P) as the solvent. The process involves two Chemsep LITE distillation columns, a heat exchanger, and a make-up stream. The phenol recycle is cooled to 100 °C. For a high purity of the products the solvent feed to MCH/toluene feed ratio as well as the reflux ratio needs to be sufficiently high (for the extractive column). We need the make-up unit to regulate the amount of phenol in the feed to the first column.
Source: http://www.chemsep.org/

Pressure swing azeotropic distillation of Methanol and Acetone
fsdPressure_Swing_MA_iecr47p2696.fsd COFE, ChemSep, COUSCOUS, TEA Adapted from Luyben et al., Ind. Eng. Chem. Res. (2008) 47 pp. 2696-2707
Methanol and acetone form a minimum temperature azeotrope but the composition of this azeotrope is sensitive to the pressure. We can make use of this to separate the two components into pure products by operating two columns at different pressures.
Source: http://www.chemsep.org/

preview...
Benzene-Toluene-Xylene Divided Wall (Petlyuk) Column
fsdBTX_DWC_iecr48p6034.fsd COFE, ChemSep, TEA Adapted from Luyben et al., Ind. Eng. Chem. Res. (2009) 48 pp. 6034-6049
Benzene-Toluene-Xylene Divided Wall (Petlyuk) Column
Source: http://www.chemsep.org/
An alternative separation of this mixture is described in the Chemsep Book; the corresponding flowsheet is fsdCScasebook_BTX.fsd

preview...
Air Separation Unit
fsdCScasebook_ASU.fsd COFE, ChemSep, COUSCOUS, TEA Air separation unit
Source: http://www.chemsep.org/

preview...
Separation of Butanol and Water
fsdButanol_Water_ef22p4249.fsd COFE, ChemSep, COUSCOUS, TEA Adapted from Luyben et al., Ind. Energy Fuels (2008) 22 pp. 4249-4258
Separation of Butanol and Water by making use of the liquid-liquid-equilibria providing a means to break the vapor-liquid azeotrope.
Source: http://www.chemsep.org/

preview...
Butyl Acetate synthesis from Methyl Acetate
fsdButyl_Acetate_iecr50p1247.fsd COFE, ChemSep, COUSCOUS, CORN, TEA Adapted from Luyben et al., Ind. Eng. Chem. Res. (2011) 50 pp. 1247-1263
Process to synthesize Butyl Acetate from Methyl Acetate and Butanol. Note that the temperature of the last column has been increased to 4.4 atm to match the bottom temperature of the Butyl Acetate column. Also realize that the Methyl Acetate recycle rate is a strong function of the chosen thermodynamic models and their interaction parameters.
Source: http://www.chemsep.org/

preview...
Cumene synthesis from Benzene and Propylene
fsdCumene_iecr49p719.fsd COFE, ChemSep, COUSCOUS, CORN, TEA Adapted from Luyben et al., Ind. Eng. Chem. Res. (2010) pp. 719-734
Cumene synthesis from Benzene and Propylene.
Source: http://www.chemsep.org/

preview...
Methanol synthesis from syngas
fsdMethanol_iecr49p6150.fsd COFE, ChemSep, COUSCOUS, CORN, TEA Adapted from Luyben et al., Ind. Eng. Chem. Res. (2010) 49 pp. 6150-6163
Methanol synthesis from syngas. Note that this flowsheet uses fixed conversion rates in the reactor whereas the original publication uses rate equations. Note that the temperature of the vapor overhead recycle of the methanol column is highly dependent on the flow rate and thermodynamic model selection.
Source: http://www.chemsep.org/

preview...
Separation of Ethanol and Water using pervaporization
fsdPervaporation_iecr48p3484.fsd COFE, ChemSep, COUSCOUS, TEA, SciLab Unit Operation Adapted from Luyben et al., Ind. Eng. Chem. Res. (2009) 48 pp. 3484-3495
Separation of Ethanol and Water using pervaporization to break the azeotrope. Note that the reflux ratio is set instead of the overhead composition because the sensitivity to the binary interaction parameters of the UNIQUAC model and the vapor pressure models. Specification of an 85% overhead would lower the reflux ratio to 2.5, lowering the condenser duty requirement.
Source: http://www.chemsep.org/

preview...
Separation of TetraHydroFuran and Water
fsdTHF_Water_iecr47p2681.fsd COFE, ChemSep, COUSCOUS, TEA Adapted from Luyben et al., Ind. Eng. Chem. Res. (2008) 47 pp. 2681-2695
Separation of TetraHydroFuran and Water by means of two columns operating and different pressures, with heat integration of the bottoms.
Source: http://www.chemsep.org/

preview...
Controlling conversion by manipulating PFR length
fsdcontroller.fsd COFE, COUSCOUS, TEA This example measures reactant flow at the inlet and outlet of a PFR reactor. The measurements are used to calculate the reactant's conversion. A controller is used to modify the reactors length to obtain a specified conversion.
The example demonstrates use of a reaction package, measuring units, an information calculator and a controller. It also demonstrates the use of embedded reports and reactor profile graphs. Note that conversion is calculated here by measuring ethylene flow into and out of the reactor. This is for demonstration purposes; the reactor can be configured such that it exposes conversion of any compound directly.
An alternative version of this flowsheet shows how to control by manipulating a feed flow.

preview...
Combined heat and power cycle
fsdCHP.fsd COFE, COUSCOUS, Water Combined heat and power cycle example, using water as the heat transport medium. The boiler duty is controlled by manipulating the total recycle flow. The client energy consumption is controlled by manipulating recycle flow ratios.
This example demonstrates a closed recycle with a flow-constraint, controllers and embedded reports.

preview...
Water ethanol separation using membrane
fsdWaterEthanolScilab.fsd
fsdWaterEthanolScilabAdiabatic.fsd
COFE, ChemSep, TEA, SciLab Unit Operation Demonstration problem for setting up custom unit operations using formula based input. The examples are available using SciLab, Matlab or Excel to model the custom unit. Each of these requires installation of the proper unit operation tool; these are available from https://www.amsterchem.com/. Simulation of the same case using a component splitter and controllers is also demonstrated, as well as solving the equations analytically by means of information calculators.
Documentation about this demonstration case is available from here:
van Baten, J.M., Taylor, R. and Kooijman, H., Using Chemsep, COCO and other modeling tools for versatility in custom process modeling. Extended abstract of presentation, AIChE annual meeting, Saltlake city, November 2010
A simple model for a membrane separator is used to get around the azeotrope that is present in water-ethanol separation.

preview...
fsdWaterEthanolMatlab.fsd
COFE, ChemSep, TEA, Matlab Unit Operation
fsdWaterEthanolExcel.fsd
COFE, ChemSep, TEA, Excel Unit Operation
fsdWaterEthanol_controlled.fsd
COFE, ChemSep, TEA, COUSCOUS
fsdMembrane_analytical.fsd
COFE, ChemSep, TEA, COUSCOUS
Extractive distillation of Methylal from Methanol using DMF
fsdMethylal_DMF_iecr51p1281.fsd COFE, ChemSep, COUSCOUS, TEA Extractive distillation of Methylal from Methanol using DMF as described by Wang et al. in Ind. Eng. Chem. Res. (2012) Vol. 51 pp. 1281-1292
Source: http://www.chemsep.org/

preview...
Dehydration of Methanol to produce DiMethylEther
fsdDME_ie101583j.fsd COFE, ChemSep, COUSCOUS, CORN Dehydration of Methanol to produce DiMethylEther by Luyben in Ind. Eng. Chem. Res. (2010) Vol. 49 pp. 12224-12241.
Source: http://www.chemsep.org/

preview...
Natural gas separation train
fsdNG_Train_iecr52p10741.fsd COFE, ChemSep, COUSCOUS, TEA Natural gas separation train from Luyben in Ind. Eng. Chem. Res (2013) Vol. 52 pp. 10741-10753.
Source: http://www.chemsep.org/

preview...
Reactive distillation for producing Tert-Amyl Methyl Ether (TAME)
fsdTAME_iecr44p5715.fsd COFE, ChemSep, COUSCOUS, CORN, TEA Reactive distillation for producing Tert-Amyl Methyl Ether (TAME) from a cracked C5-cut by Luyben in Ind. Eng. Chem. Res. (2005) Vol. 44 pp. 5715-5725.
Source: http://www.chemsep.org/

preview...
Reactive distillation for producing Methyl Acetate from Methanol and Acetic Acid
fsdMeAce_RD_Luyben2008p148.fsd COFE, ChemSep, COUSCOUS, TEA Estericification of Acetic Acid with Methanol to Methyl Acetate as described in Reactive Distillation Design and Control by William L. Luyben and Cheng-Ching Yu, Wiley, NY, 2006; pp. 147-164
Source: http://www.chemsep.org/

preview...
Refinery light ends separation by means of distillation
fsdIECR52p15883_Light_Ends.fsd COFE, ChemSep, COUSCOUS, TEA Separation of Natural Gas, W.L. Luyben, Ind.Eng.Chem.Res. Vol. 52 pp. 10741-10753
Source: http://www.chemsep.org/

preview...
EthylBenzene production from Ethylene and Benzene
fsdAIChE57p655_EthylBenzene.fsd COFE, ChemSep, COUSCOUS, CORN, TEA Light ends distillation EthylBenzene production from Ethylene and Benzene by Luyben in AIChE J. Vol. 57 (2011) pp. 655-670.
Source: http://www.chemsep.org/

preview...
Dehydrogenation of 2-Butanol to Methyl Ethyl Ketone
fsdMEK_FVO2746.fsd COFE, ChemSep, COUSCOUS, CORN, TEA Dehydrogenation of 2-Butanol to Methyl Ethyl Ketone catalyzed by In/MgO as per patent DE2831465
Source: http://www.chemsep.org/

preview...
Hydration of Ethylene Oxide to Mono-Ethylene Glycol
fsdEG_IECR48p10840.fsd COFE, ChemSep, COUSCOUS, CORN Hydration of Ethylene Oxide to Mono-Ethylene Glycol (MEG) using an uncatalyzed reactor at 200 °C with kinetics.
Source: http://www.chemsep.org/

preview...
Separation of Ethanol-Water Azeotrope using Benzene as Entrainer
fsdEtOH-Water_AIChEJ29p49.fsd COFE, ChemSep, COUSCOUS, TEA Heterogeneous azeotropic distillation of Ethanol and Water, inspired by the flowsheet described by G. Prokopakis and W.D. Seider in AIChE J. 29 p. 49. This separation process model is extremely sensitive to small changes in the process specifications and also to the parameters used in the thermodynamic model.
Source: http://www.chemsep.org/

preview...
Propane Mixed Refrigerant Cycle
fsdC3MR.fsd COFE, COUSCOUS, TEA C3MR - Propane Mixed Refrigerant Cycle for Natural Gas C3MR LNG Refrigeration Cycle for Natural Gas (NG). This flowsheet was inspired by that given in the report "Modelling and optimization of the C3MR process for liquefaction of natural gas," by Dag-Erik Helgestad (December 2009).
Source: http://www.chemsep.org/

preview...
TEALARC LNG Refrigeration Cycle for Natural Gas
fsdTEALARC.fsd COFE, COUSCOUS, TEA This flowsheet was based on one described in the report "Simulation, optimal operation and self optimisation of TEALARC LNG plant," by Emmanuel Orji Mba (December 2009).
Source: http://www.chemsep.org/

preview...
Ethylene Cracker with high purity separation train
fsdEthylene_Cracker.fsd COFE, CORN, COUSCOUS, TEA Ethylene Cracker Ethylene Cracker with high purity separation train using UOP Multi-Downcomer trays based on the debottlenecking of the EE splitter and the PP splitter of the Port Arthur (TX) Chevron Ethylene Cracker.
Source: http://www.chemsep.org/

preview...
Drying of Natural Gas using TEG
fsdTEG_NG_Drying.fsd COFE, COUSCOUS, TEA, ChemSep Drying of Natural Gas using triethylene glycol.
Source: http://www.chemsep.org/

preview...
Ethanol Water separation with Benzene exhibiting multiplicity
fsdEthanol_Water_Multiplicity.fsd COFE, COUSCOUS, TEA, ChemSep This example is one of the most famous in the entire literature on distillation column modelling having been studied, in one form or another, by many investigators including Magnussen et al. [I.Chem.E.Symp.Series, 56 (1979)], Prokopakis and Seider [AIChE J., 29, 49 (1983)], and Venkataraman and Lucia [Comput.Chem.Engng., 12, 55 (1988)]. The column simulated here is adapted from the work of Prokopakis and Seider.
Source: http://www.chemsep.org/

preview...
Solvents recovery line-up
fsdSolvents_TCPSD.fsd COFE, COUSCOUS, ChemSep Based on Sep.Purif.Technol. 169 (2016) pp. 66-77 combining azeotropic distillation with pressure swing distillation into a three column line-up for recovery of Acrylonitril, Methanol, and Benzene. This mixture forms multiple azeotropes and its triangular diagram has several distillation boundaries at atmospheric pressure. The feasibility of the process was confirmed using rigorous steady-state simulations. This 3-column line-up is the most optimal column sequence in a global optimization to separate the azeotropic mixture.
Source: http://www.chemsep.org/

preview...
Acetone Process via Dehydrogenation of 2-Propanol (IPA)
fsdAcetone_from_IPA.fsd COFE, COUSCOUS, ChemSep Acetone is produced via several alternative processes, one of which is the Acetone Process via Dehydrogenation of 2-Propanol (IPA). This endothermic gas-phase reaction converts IPA to acetone and hydrogen. The process has two distillation columns and an absorber column in which a water stream is used to recover acetone. In Ind.Eng.Chem.Res. Vol. 50 pp. 1206-1218 (2011), Luyben showed that operating the absorber at an elevated pressure reduced Acetone losses but increases vent losses and raises the required temperature and cost of the vaporizer heat source. It also adversely affects the reaction kinetics because the reaction is non-equimolar and conversion decreases with increasing pressure. As such, a higher reactor temperature is required to achieve the desired conversion. The paper proposed the economically optimum design.
Source: http://www.chemsep.org/

preview...
Energy Efficient Hybrid Separation process for Acetic Acid purification
fsdAAEAcW_Energy_Efficient_Hybrid_Separation.fsd COFE, TEA, COUSCOUS, ChemSep The Energy Efficient Hybrid Separation process for Acetic Acid purification is based on Ind. Eng. Chem. Res. Vol. 45, pp. 8319-8328 (2006), a paper discussing strategies that combine one or more separation techniques with distillation where energy efficiency is studied using the novel concept of shortest separation lines. Such hybrid separation schemes include extraction followed by distillation, reactive distillation, adsorption/distillation, and others.
Source: http://www.chemsep.org/

preview...
Hydrogenation of Benzene
fsdCyclohexane_Hydrogenation_Benzene.fsd COFE, TEA, COUSCOUS, CORN, ChemSep Cyclohexane can be produced by the Hydrogenation of Benzene by the ARCO Technology Inc. process as described in Hydrocarbon Processing, November (1977) p. 143. This process has been replaced by the more efficient and economic reactive distillation hydrogenation process from CDtech (US6187980).
Source: http://www.chemsep.org/

preview...
Styrene from EthylBenzene
fsdStyrene_iecr48p10941.fsd COFE, TEA, COUSCOUS, CORN, ChemSep The Styrene process from Ethyl Benzene is based on the Vasudevan design in Ind. Eng. Chem. Res. Vol. 48, pp. 10941 (2009), Figure 15.1. This paper discusses an improvement design over the Styrene plant in "Plant-Wide Process Control" by by Luyben et al. (McGraw-Hill, NY, 1998).
Source: http://www.chemsep.org/

preview...
Biomass Pyrolysis
fsdBTG_pyrolysis.fsd COFE, TEA, COUSCOUS, CORN This is an example flowsheet of the pyrolysis process conducted by Biomass Technology Group, Enschede, The Netherlands. The flowsheet includes the main unit operations, a steam system and the overall energy and carbon balance.
Adapted from: Venderbosch, R. H. (2019), Fast Pyrolysis, Thermochemical Processing of Biomass, R. Brown (Ed.). 32 pp. 175-206, doi:10.1002/9781119417637.ch6
More information: Pyrolysis in COCO flowsheeting, presented at the CAPE-OPEN AGM 2021, Oct 28

preview...
Carbonylation of Di-Methyl Ether with CO to Methyl Acetate
fsdCarbonylationDME_ie101583j.fsd COFE, COUSCOUS, CORN, ChemSep Carbonylation of Di-Methyl Ether with CO to Methyl Acetate by Diemer and Luyben in in Chem.Eng.Res.Des. Vol. 49 page 12224-12241. Dimethyl ether (DME) is produced by dehydration of Methanol. In a second step DME is carbonylized with CO over zeolites to produce Methyl Acetate (for kinetics see Cheung et al. Angew.Chem.Int.Ed. (2006) 45, pp. 1617-1620. The process illustrates a number of important design trade-offs among the many design optimization variables: reactor temperatures, reactor pressures, distillation column pressures, reactor sizes and purge composition.
Source: http://www.chemsep.org/

preview...
Alkylation of Butene and Isobutane
fsdBB-alkylation.fsd COFE, COUSCOUS, CORN, ChemSep Alkylation of Butene and Isobutane as described by Luyben in Principles and Case Studies of Simultaneous Design (Wiley, 2011). This flowsheet implements a simplification of the Kellogg Sulfuric Acid Butene-Butane Alkylation Process, as adapted from figure 7.2 in Chapter 7. Reaction parameters from R. Mahajanam, R.V. Zheng, J.M. Douglas, "A shortcut method for control variable section and its application to the butane alkylation process", Ind. Eng. Chem. Res. (2001) 40, p. 3208.
Source: http://www.chemsep.org/

preview...
Ethylene Oxide Process
fsdEO_US7598405.fsd COFE, COUSCOUS, CORN, ChemSep Ethylene Oxide Process as per US 7,598,405 co-producing high purity Ethylene Oxide (EO) and Ethylene Glycol (EG).
Source: http://www.chemsep.org/

preview...
Improved BenzOut Process
fsdImproved_BenzOutProcess.fsd COFE, COUSCOUS, CORN, ChemSep Improved BenzOut Process using a Dividing Wall Column (with sloped wall) with enhanced product recovery. This process was developed by ExxonMobile (CA2754816C) and features a zeolite fixed bed liquid reactor operating at low temperatures where the Benzene in reformate from a CCR is converted for 95% to alkylbenzenes by reacting it with refinery grade (95%) Propylene from a FCC unit. This generates a Mogas blending stream with a higher octane number (by 2-3 points on RON/MON) that is within Benzene specification. As a by-product Propane of HD5 quality is generated.
By combining this process with the Dividing Wall Column (DWC) as disclosed by Dejanovic et al. as described in Ind. Eng. Chem. Res. (2011) Vol. 50 pp. 5680-5692 (with sloped wall DWC) an approximate 40% reduction in Total Annulaized Cost and a 5% larger product flowrate can be obtained. The DWC produces a heart-cut Benzene rich stream that results in smaller reactors that can be run with a 99% conversion. The resulting stream is stabilized and mixed with the heavy reformate stream.
Source: http://www.chemsep.org/

preview...
Refrigeration cycles
fsdRefrigeration_Ammonia-30C.fsd
fsdRefrigeration_Propylene-30C.fsd
fsdRefrigeration_Propylene-50C.fsd
fsdRefrigeration_2-Stage-100C.fsd
fsdRefrigeration_3-Stage-150C.fsd
fsdRefrigeration_4-Stage-190C.fsd
COFE, COUSCOUS, TEA Refrigeration cycles with Ammonia, Propylene, 2-step Propylene+Ethylene, 3-step Propylene+Ethylene+Methane, and 4-step Propylene+Ethylene+Methane+Nitrogen for cooling at -30, -50, -100, -150, and -190 °C as described by Luyben (2019) in Chem.Eng.Process.Intens. 138 (2019) pp. 97-110 and Comp.Chem.Engng 126 (2019) pp. 241-248.
Source: http://www.chemsep.org/

preview...
Kalina cycle
fsdKalina_ECM178p78.fsd COFE, COUSCOUS, ChemSep Exergy and economic assessment of a solar-driven Kalina cycle (4/1/2021) with Ammonia-Water as per Mehrpooya and Mousavi in Energy Conversion and Management (2018) 178, pp. 78-91.
Source: http://www.chemsep.org/

preview...
Acetic Acid Cativa(TM) process
fsdAceticAcid_ChERD159p1.fsd COFE, COUSCOUS, CORN, ChemSep This flowheet was inspired by the article of Dimian and Kiss on the Acetic Acid Cativa(TM) process for making acetic acid from carbon monoxide and methanol, see Chem.Eng.Res.Des. (2020) 159, pp. 1-12. The recycle is estimated; neither Dimian and Kiss nor we included the necessary recovery units in the model. This flowsheet examplifies the use of two different K-models: PSRK equation of state for the high pressure reactor section and gamma-phi model for the separation section where the difficult separation between acetic acid and water is key. The binary interaction parameters have been fit to data for most of the nonideal binary mixtures found in this process. There is scope for further improvement in modeling the solubility of the light gases in the separaton section; here we adopted the approach of Prausnitz et al. (1980).
Source: http://www.chemsep.org/

preview...
Extraction separation of CO2 from NG
fsdCO2fromNG_iecr52p10780.fsd COFE, COUSCOUS, ChemSep Extraction separation of CO2 from NG. For many years CO2 has been injected into oil and gas wells in an effort to extract more crude oil and natural gas. After methane has been separated from the CO2-rich gas in a demethanizer the CO2 needs to be recovered so that it can be re-injected into the well. The separation of CO2 from the ethane rich fluid is complicated because of an azeotrope that exists between CO2 and ethane. One approach to breaking azeotropes is via extractive distillation. In the process in this document the solvent is a mixture of the higher molecular weight hydrocarbons. This flowsheet was adapted from one described by W.L. Luyben. Ours uses the PPR78 EOS which employs a group contribution method for the estimation of temperature dependent binary interaction parameters. Luyben, W. L. Control of an Extractive Distillation System for the Separation of CO2 and Ethane in Enhanced Oil Recovery Processes Ind.Eng.Chem.Res. (2013) 52 pp. 10780-10787.
Source: http://www.chemsep.org/

preview...
Ethyl Benzene Styrene Monomer process
fsdEB-SM.fsd COFE, COUSCOUS, ChemSep, CORN Combined Ethyl Benzene (EB) Styrene Monomer (SM) process as shown in the 2005 AIChE Spring Meeting presentation "Design Guidelines for Distillation Columns in Ethyl-benzene and Styrene Monomer Service" by Peter Faessler et al. who discuss the Badger-SM process with details about revamping of the EB/SM splitter with high capacity structured packing for increasing performance specifciations. The flowsheet features the use of different ChemSep Cape-Open Property Packages (ChemSep/Copp) for the high and low pressure operations.
Source: http://www.chemsep.org/

preview...
Ethyl benzene
fsdEthylBenzene.fsd COFE, COUSCOUS, TEA, CORN The example is from "Design and Control of Ethylbenzene Process", William, L. Luyben., AIChE Jour. Vol 57, No. 3, March 2011. pp 655 - 670. doi 10.1002/aic. This CSTR for production of Ethylbenzene has been simulated. Ethylene reacts with benzene to produce Ethylbenzene. The undesired reaction is production of Diethylbenzene. It is formed by reaction of Ethylbenzene with ethylene. This example demonstrates how difference in activation energy is used to affect the selectivity. The rate expression is verified from, "Chemical Reactor Design and Control", Wiley, 2007, William Luyben. Chapter 2, pp 72. The yield of the reaction is 90% and the selectivity is, 78.93%.
Contributed by Prof. Arvind Prasad of D. J. Sanghvi College of Engineering.

preview...
Ethanol-Amines process
fsdEA_US4355181.fsd COFE, COUSCOUS, ChemSep, CORN Process for a SRI 45 KTA Mono-Ethanol-Amine (MEA) / Di-Ethanol-Amine (DEA) / Tri-Ethanol-Amine (TEA) production as per US 4,355,181 and described in Korean J. Chem. Eng Vol. 26, No. 6 pp. 1504-1511 (2009), using fixed conversion reactors and a substitute for the heavier ethanol amines. Two different ChemSep Cape-Open Property Packages are used: The SRK-UMR is used to describe the VLE in the high pressure reactor section and the gamma-phi method with NRTL parameters predicted from UNIFAC is used for the vacuum distillation of the ethanolamines.
Source: http://www.chemsep.org/

preview...
Isopropyl Alcohol Synthesis
fsdiecr55p3614.fsd COFE, COUSCOUS, ChemSep, CORN Process for Isopropyl Alcohol synthesis from Propylene and Water adapted from Niu et al., Ind. Eng. Chem. Res. 2016, 55, 12, 3614-3629. This flowsheet demonstrates the use of multiple K-models. The Peng-Robinson equation of state is used for the separation of propylene from propane allowing for the reactant to be recycle back to the reactor. The NRTL model is used for the remaining operations of the process and the binary interaction parameters have been fit to available experimental data for the nonideal binary mixtures involved in this process. Due to the possibility of three phases in the pairs containing Propane/Proylene and Water the UNIFAC model is used to predict those parameters. To increase temperature and prevent two liquid phases from forming, the first column utilizes a partial condenser. The most difficult separation in this process is between Water and Isopropyl Alcohol therefore the solvent DMSO (Dimethyl Sulfoxide) is introduced to the final separation section effectively allowing for a desirable final product of IPA. Niu et al. describe aditional improvements that can made to this process.
Source: http://www.chemsep.org/

preview...
Process for Fatty Alcohols
fsdFatty_Alcohols.fsd COFE, COUSCOUS, ChemSep, CORN Process for Fatty Alcohols from Palm Kernel Oil adapted from a Oleochemicals Chemicals 2011 presentation by OXITENO on their Brazilian process plants. This flowsheet demonstrates the use of multiple K-models. The SRK-UMR equation of state is used for the hydrolysis of the oil into fatty acids, the conversion of these to Fatty Acids Methyl Esters (FAME) and the hydrogenation of FAME to the fatty alcohols. Consequently, the DECHEMA-UNIFAC model is used for the separation train of the fatty alcohols in vacuum columns. The binary Vapor-Liquid diagrams of the fatty acids are displayed on the flowsheet. Note we also use different color schemes to illustrate where each package is used. The units and streams using SRK-UMR display in dark grey when solved whereas those units and streams using DECHEMA-UNIFAC are shown in green when solved.
Source: http://www.chemsep.org/

preview...
Process for Fatty Acids
fsdFatty_Acids.fsd COFE, COUSCOUS, ChemSep, CORN Process for Fatty Acids from Palm Kernel Oil adapted from a Oleochemicals Chemicals 2011 presentation by OXITENO on their Brazilian process plants. This flowsheet demonstrates the use of multiple K-models. The SRK-UMR equation of state is used for the hydrolysis of the oil into fatty acids and the separation in C12, C14, C16, and C18 acids. Note that the C18 fatty acids are not lumped but split out over three fractions of Lineic, Linoleic, and Stearic acids. Consequently, the DECHEMA-UNIFAC model is used for the separation train of the fatty alcohols in vacuum columns. Some of the binary Vapor-Liquid diagrams of the fatty acids are displayed on the flowsheet. We use different colors to illustrate where each package is used: The units and streams using DECHEMA-UNIFAC are shown in green when solved.
Source: http://www.chemsep.org/

preview...
Reformate Splitter
fsdIECR50p5680_Reformate_Splitter.fsd COFE, ChemSep Process for Fatty Acids from Palm Kernel Oil adapted from a Oleochemicals Chemicals 2011 presentation by OXITENO on their Brazilian process plants. This flowsheet demonstrates the use of multiple K-models. The SRK-UMR equation of state is used for the hydrolysis of the oil into fatty acids and the separation in C12, C14, C16, and C18 acids. Note that the C18 fatty acids are not lumped but split out over three fractions of Lineic, Linoleic, and Stearic acids. Consequently, the DECHEMA-UNIFAC model is used for the separation train of the fatty alcohols in vacuum columns. Some of the binary Vapor-Liquid diagrams of the fatty acids are displayed on the flowsheet. We use different colors to illustrate where each package is used: The units and streams using DECHEMA-UNIFAC are shown in green when solved.
Source: http://www.chemsep.org/

preview...
Extraction of Aromatics with Sulfolane
fsdSulfolane-LLX.fsd COFE, ChemSep, COUSCOUS Extraction of Aromatics with Sulfolane from a refinery catalytic reformer stream after Figure 10.1 in T.Brouwer (PhD TU Twente 2021). Aromatics are removed from the stabilized reformate using a liquid-liquid extraction column with Sulfolane. The extractor is operated with a recycle of light C5 alkanes and Sulfolane is washed out from the raffinate with water. The aromatics are recovered from the sulfolane under vacuum conditions.
Source: http://www.chemsep.org/

preview...
Rectisol Process for SynGas with CO2 for EOR
fsdRectisol-CCS.fsd COFE, ChemSep, COUSCOUS This process describes the Rectisol process to remove all CO2 from syn-gas by absorbing in cold methanol (Rectisol process) as described by Gatti et al. (2014). Note that some processes may benefit from not removing all CO2 from the syngas. The CO2 is compressed to a pressure of 150 bar for reservoir injection for Enhanced Oil Recovery purposes. The H2S removal is simplified and simulated as a simple Claus separation block.
Source: http://www.chemsep.org/

preview...
Novel Hydrogren Liquefaction Cycle
fsdH2_Liquefaction.fsd COFE, ChemSep, COUSCOUS, CORN Novel hydrogen Liquefaction cycle as described by L. Yin and Y. Ju, Int. J.Refrig. 110 (2020) pp. 219-230, which utilizes a liquid nitrogen pre-cooling system as well as a helium cryogenic cycle. The regular Hydrogen component is normally simulated as a single molecule but in this cycle we distinguish between the ortho- and para-magnetic isomers Hydrogen actually consists of. Hence we first convert a stream consisting of regular Hydrogen component into the two isomers. At room temperature, Hydrogen consists of 75 percent ortho-H2 and 25 percent para-H2. The conversion between the two isomers para-hydrogen and ortho-hydrogen is achieved in a series of reactors loaded with Iron (III) Hydroxide (Fe(OH)3) as the catalyst. The original publication did not account for the energy difference between ortho- and para-Hydrogen. This was corrected by inclusion of an offset for the Heat of Formation of ortho-H2. This is why the conversion of regular Hydrogen into its two isomers has a heat effect that in reality isn't there.
Source: http://www.chemsep.org/

preview...
Extraction Distillation of Aromatics with Sulfolane and bio-based solvent Cyrene
fsdSulfolane-ED.fsd COFE, ChemSep, COUSCOUS Extraction Distillation of Aromatics with Sulfolane and bio-based solvent Cyrene from a stabilized refinery reformate after figures 10.2 and 10.6 from T.Brouwer (PhD TU Twente 2021). See alse Brouwer, Schuur, J.Chem.Techn. & Biotech. 96 p. 2630. Here, the aromatics are represented by Toluene, and the naphthenic compoinents by MethylCycloHexane (MCH). The separation is simulated using the UNIFAC activity coefficient model, which allows inclusion of any hydrocarbon compounds. The aromatics are recovered from the solvents under vacuum conditions in the Solvent Recovery (SR) column, which is heat integrated with the feed to the ED column. For Sulfolane, the SR bottoms is hot enough such that an additional heat integration step can be done. This step lowers the overall energy consumption for Sulfolane compared to Cyrene. A parametric study was performed for different Solvent/Feed ratios to determine the optimum. For Sulfolane this is at S/F=1.5.
Source: http://www.chemsep.org/

preview...
Extractive Distillation of Benzene using NFM
fsdBrondani2015_NFM-Benzene.fsd COFE, ChemSep, COUSCOUS Extractive distillation of Benzene using N-Formyl Morpholine (NFM) based on Brondani et al. (2015) Braz. J. Chem. Engng. Vol. 32 p. 283. Benzene and NFM are separated from a mixture of C6 non-aromatic compounds in an Extractive Distillation (ED) column. Benzene is recovered from the mixture with NFM under vacuum conditions in the Solvent Recovery (SR) column, which is heat integrated with the reboiler of the ED column, resulting in a significant reduction of energy required. The recovered NFM from the SR column is recycled back into the ED column. This process is simulated using the UNIFAC activity coefficient model, with modified interaction parameters for the NFM-ACH and NFM-ACCH2 groups on the hand of Vapor-Liquid Equilibria data of NFM with Benzene, Toluene, and p-Xylene.
Source: http://www.chemsep.org/

preview...
2,6-Xyleneol US3707569 45 KTA 26-Xylenol or (Di-Methyl Phenol) process plant
fsd26Xylenol-US3707569.fsd COFE, ChemSep, COUSCOUS, CORN 2,6-Xyleneol US3707569 45 KTA 26-Xylenol or (Di-Methyl Phenol) process plantusing liquid phase methylation of Phenol US patent 3,707,569. Phenol is selectively methylated at the ortho-position by reacting it in a 2.3 to 1 ratio with Methanol in the liquid phase at 250 deg C and 150 bar over a catalyst. Single-pass conversion reached 50 percent with a selectivity of 70 percent to o-Cresol and 25 percent to 2,6-Xylenol. The unreacted Methanol is recycled to increase yield. Phenol in the produced water is removed using a Toluene liquid-liquid extraction. Unreacted Phenol and a part of the produced o-Cresol is recycled. The disadvantage in this process is that the catalyst produces relatively large amounts of Anisoles that form a close boiling systems with Phenol and other species. As such, a bleed must be taken.
Source: http://www.chemsep.org/

preview...
Top-Split DWC for LPG Recovery on a FLNG facility
fsdDWC_FLNG_iecr51p10021.fsd COFE, ChemSep, COUSCOUS Lee et al. published a Top-Split DWC for LPG Recovery on a FLNG facility (Ind.Eng.Chem.Res. Vol. 51 (2012) p. 10021). The bottoms of a demethanizer is fed to a top-split DWC where the rich Methane/Ethane recycle is taken off first (left of the dividing wall), whereas a LPG with 97% C3/C4 content is produced on the right hand side of the wall. The column bottoms is a stabilized condensate with approximately 0.05% C4 content. Note that the demethanizer column is run with a split feed where warm feed is used as boilup vapor to avoid the need for a reboiler.
Source: http://www.chemsep.org/

preview...
Shell Higher Olefin Process
fsdSHOP-US4020121-K=0.65.fsd COFE, ChemSep, COUSCOUS, CORN The Shell Higher Olefin Process (SHOP) as described in US Patent 4,020,121 (1977) and Catalysis Today Vol. 14, 1992, p.1. See also E.F.Lutz, J. Chem. Educ. 1986, 63, 3, p. 202. A stream of 50 t/h Ethylene is oligomerized under 90 C and 90 bar pressure in 1,4-Butanediol (BDO) as solvent in a solvent to oligimer ratio of 10:1 producing about 76 KTA 1-butene and 324 KTA higher linear alpha-olefins. We use a fixed conversion reactor with a 80% Ethylene conversion and a stoichiometry that represents a K=Cn+2/Cn=0.65 to represent the complex three-phase reators. The oligomer phase is distilled to recycle the unreacted Ethylene. After a water-wash to remove the remaining solvent, the oligomers are distilled in a direct sequence. Purity of the final products are as per Shell NEODENE® product specifications.
Source: http://www.chemsep.org/

preview...
Lonza Extractive Distillation separation of 4-Picoline from side-product 2,6-Lutidine using a Top-Split Dividing Wall Columns
fsd4Picoline_ChERD123p120.fsd COFE, ChemSep, COUSCOUS Lonza Extractive Distillation separation of 4-Picoline from side-product 2,6-Lutidine using a Top-Split Dividing Wall Columns as described in Staak and Gruetzner, Process integration by application of an extractive dividing-wall column: An industrial case study ChERD 123 (2017) pp. 120-129. This is an extractive distillation of a close-boiling zeotropic ternary mixture using Ethylene Glycol as extractive agent. This can be done in a single column under vacuum conditions.
Source: http://www.chemsep.org/

preview...
Butene Metathesis
fsdButene-Metathesis.fsd COFE, ChemSep, COUSCOUS, CORN Butene Metathesis as described in Optimization and Control of Propylene Production by A. Andrei and S Bildea, Processes 2023, 11(5), p. 1325. Using a fixed conversion reactor the Butene metathesis to Propylene and 3-Hexane is simulated, providing a route to more Propylene from refinery feed. Note that the 3-Hexene can be used to generate high RON alkylates or isomerized to produce 1-hexene, a valuable alpha-olefin. The column pressures were optimized differently than described in the article. Except for the deethenizer, all condensers are designed to operate with cooling water and the process temperatures are set at 40 C. The numbers of stages and Reflux Ratio were set as per FUG analysis using a 1.2 RR/RRmin and a 99% purity for the C5= and C6=. The DeC3= column was sized to produce polymer grade Propylene of 99.8%. Similarly, the Ethyelne purity is 99.5% to produce polymer grade Ethylene. On all purities we added a small margin for control and fluctuations.
Source: http://www.chemsep.org/

preview...
Membrane process for carbon dioxide separation
fsdCO2_separator.fsd COFE, COUSCOUS, TEA, SciLab Unit Operation The example is from Development of a membrane process in CAPE-OPEN to CAPE-OPEN (COCO) simulator for carbon dioxide separation, Y. Alqaheem and M. Alobaid, Results in Engineering 22 (2024) 102239.

A non-isothermal membrane module for CO2 separation using Scilab CAPE-OPEN Unit Operation. Membrane area and permeance for each compound are input parameters. The module calculates permeate/retentate flowrate and composition.
Contributed by Yousef Alqaheem of Petroleum Research Center, Kuwait Institute for Scientific Research, Kuwait
preview...

Ammonolysis of Phenol to Aniline
fsdAniline.fsd COFE, ChemSep, COUSCOUS, CORN Ammonolysis of Phenol to Aniline (process as shown in Figure 20.2 on page 366 of Synthetic Nitrogen Products by Gary R. Maxwell (Kluwer, 2004). The flowsheet uses a simplified fixed conversion reactor for the reaction to main product Aniline and the side product DiPhenyl Amine (DPA). The ChemSep/COPP package uses the SRK-UMR to handle ammonia as a light gas while still being able to compute the nonideal interactions between Water and Aniline.
Source: http://www.chemsep.org/

preview...
VRC PP-Splitter
fsdVRC-PP-splitter-12bar.fsd COFE, ChemSep, COUSCOUS, CORN Propylene/Propane splitters lend themselves uniquely for heat pumping because it allows a lowering of the operating pressure from around 20 to 12 bar, provinding a cheaper column shell. Further optimization is obtained by preheating the feed with the cold reflux to prevent reflash that otherwise unnecessarily increases the compressor power requirements, see Christopher et al., Ind.Eng.Chem.Res. 56 p.14557 (2017). Both feed and reflux are kept in the liquid phase so that the exchanger remains small. The reflux is further cooled by a trim condenser such that it does not reflash. The feed on the other hand is vaporized to a large extend such that a uniform column diameter can be used. High pressure splitters use an inter-reboiler at the feed location to be able to use a smaller column diameter below the feed (see the Kolmetz Handbook of Process Equipment Design). The correct Vapor Liquid Equilbrium (VLE) model for PP splitters is a critical issue for a deviation of 1% in the relative volatility may already create a 30 tray difference in the required tray count. Unfortunately, the use of different VLE-models has complicated comparisons of tray efficiencies of various tray vendors over the years. It is generally accepted that an Equation of State (EoS) has to be used, but vendors used EoS without pure component corrections. This led them to use different Binary Interaction Parameter (BIP) values, with different temperature dependences. Here we use the SRK-MC that uses Matthias-Copeman parameters for more precise descriptions of the Propylene and Propane pure component vapor pressures. This enables us to get a reasonable description of the VLE while using the simple Soave-RK EoS and a constant BIP of 0.0087. Despite the constant BIP a correct temperature dependence can be predicted. This example uses a reflux ratio of 13.5 to obtained Propylene purity 99.6%.
Source: http://www.chemsep.org/

preview...
Tall Oil
fsdTall-oil-distillation.fsd COFE, ChemSep, COUSCOUS The fatty acids obtained as a by-product of the Kraft wood pulp manufacturing process is called Tall Oil. The composition of crude tall oil varies a great deal, depending on the type of wood used. It contains Rosin (mainly C20 abietic acid and its isomers), resin acids (other unsaturated C20 fatty acids), saturated fatty acids (mainly palmitic acid, oleic acid and linoleic acid) and unsaponifiable sterols. See Tall Oil Production and Processing and Wikipedia. Originally, the Crude Tall Oil (CTO) was separated by means of steam distillation. However, this required a large amount of steam. With the advent of structured packings in the early 1980s, dry distillation under deep vacuum became possible, where the relative volatilities between the components is larger. This process uses falling film evaporators to minimize the exposure time to high temperatures, as the components in tall oil are heat sensitive. Furthermore, the columns are frequently equiped with circulating reflux sections acting as low pressure drop condensers. This flowsheet uses the USA pine 'base' case as described in Chemical Engineering Research and Design 170 (2021) pp. 314-328. In a first step, water is removed by drawing vacuum. Then, the CTO is split in four distillation steps while keeping reboiler pressures under 20 mbar. Then, a first column separates the heavy pitch as bottoms, which finds use in printing ink and emulsifier for asphalt. A second column separates the Rosin over the bottom with high purity. Rosin is the main product and used in adhesives, rubbers, and as an emulsifier. A third column separates the resin acids in an overhead product which is combined with other heads. Resin acids are mainly used as emulsifiers. The final column separates the Tall Oil Fatty Acids (TOFA, Oleic and Linoleic unsaturated C18 acids) as side draw and Distilled Tall Oil (DTO, the remainder of the C18 acids and the saturated C20 acids) as bottoms educt. TOFA is a low-cost, vegan alternative to tallow fatty acids for production of soaps and lubricants. TOFA can also be esterified with pentaerythritol for use in oil-based varnishes.
The flowsheet is simulated with the DECHEMA model using the modified UNIFAC activity coefficient model. Note that the more precise temperature correlation is used for the vapor pressures in order to model the component distributions properly.
Source: http://www.chemsep.org/

preview...
Snohvit LNG Cycle
fsdSnohvit-LNG.fsd COFE, ChemSep, COUSCOUS Snohvit LNG Cycle. Snohvit is an offshore natural gas reservoir located about 140 km north of Norway. This simulation of the LNG liquefaction plant at Snohvit was inspired by the Masters thesis of Tormud Stugu (NTNU, 2003) with modest modifications motivated by the Ph.D. thesis work of Anne Berit Ryan (NTNU, 2011) and the Hammerfest LNG Impact Assessment. Links to all of these and other sources can be found in the flowsheet itself. Simulated from data in from the Energy Plant Assessment report "Hammerfest LNG - Energianlegg Konsekvensutredning RA-SNO-00255" and 2003 MS thesis of Tormod Stugu at NTNU.
Source: http://www.chemsep.org/

preview...
Extractive Distillation DMC/Methanol with o-Xylene
fsdYou2024_DMC-MeOH_o-Xylene.fsd COFE, ChemSep, COUSCOUS Extractive Distillation DMC/Methanol with o-Xylene inspired by You et al., Separation and Purification Technology 350 (2024) pp. 127893. The Wilson parameters were fitted in ChemSep against VLE data from other sources as the values in the original source are incorrect. Added heat integration by interchanging the feed with the hot solvent from the solvent recovery column. This vaporizes the feed to a large extent. The number of stages in the solvent recovery column were increased as to provide further savings. The overal heat requirements reduced by more than a quarter.
Source: http://www.chemsep.org/

preview...
Extractive Distillation DMC/Methanol with o-Xylene
fsdLockett_Maldistribution_Model.fsd COFE, ChemSep, COUSCOUS Maldistribution Model for Oxygen / Argon inspired by Billingham and Lockett. We recreated it from separate distillation columns in the flowsheet as well as from using the ChemSep Parallel Column Model (PCM)). Billingham and Lockett used a stage-to-stage calculation with a constant relative volatility to model the column sections (they are renamed A and B) The ChemSep PCM has a liquid distributor tray above the two parallel sections and a gas distributor tray below the parallel section. These distributor trays are modelled with a stage efficiency set to a very small number such as to avoid numerical issues in the simulation. A particular advantage of using the ChemSep PCM for these calculations is that any thermodynamic model can be used (including a constant relative volatility model as was used by Billingham and Lockett and here). Maldistribution is modelled by splitting the liquid flow so that the flow to the left differs from the flow to the right as shown on the flowsheet. One small difference between our model and theirs is that they did not split the vapor flow as shown in Fig. 11; rather they assumed the gas flow to the base of each column to be the same. We can obtain the same result by specifying a gas flow to the stream splitter that is twice that needed and a split ratio of 50 percent.
Source: http://www.chemsep.org/

preview...
Ammonia Synthesis
fsdAmmonia_synthesis_Andreasen_2025.fsd COFE, COUSCOUS, CORN, ChemSep-COPP Simulation of ammonia synthesis using a three-bed quench / cold-shot process with inspiration from Morud and Skogestad (AIChe Journal Vol. 44, No. 4), Araujo and Skogestad (CACE vol.32/12, pp 2920), as well as Luyben in Chapter 13 of the book "Plantwide Process Control" eds. Rangaiah &  Kariwala.
The kinetic rate equation is the Temkin-Pyzhev rate law sourced from Bischoff & Froment "Chemical Reactor Analysis and Design" 2nd edition (ISBN 9780471510444). The reaction conditions mimic those applied in Morud & Skogestad, which is a higher inlet temperature/higher degree of pre-heating i.e. not the milder conditions used by Arauyo & Skogestad nor Luyben. Compared to Morud & Skogestad the full ammonia loop is modelled including high-pressure separation of ammonia by cooling. Separation occurs at lower temperature compared to Araujo and Skogestad / Luyben in order to achieve a lower inlet concentration of ammonia to the first reactor bed.
Author: Anders Andreasen

preview...
Ammonia synthesis with steam reformer, shift reactors, and methanation
fsdAmmonia_Synthesis.fsd COFE, COUSCOUS, CORN, ChemSep-COPP Simulation of ammonia synthesis with steam reformer, shift reactors, and methanation, followed by Ammonia synthesis using a three-bed quench / cold-shot process with inspiration from Morud and Skogestad (AIChe Journal Vol. 44, No. 4), Araujo and Skogestad (CACE vol.32/12, pp 2920), and Temkin-Pyzhev kinetics from Bischoff & Froment "Chemical Reactor Analysis and Design" 2nd edition (ISBN 9780471510444). The reaction conditions and bed heights mimic those applied in Morud and Skogestad, using a higher inlet temperature/higher degree of pre-heating. The full ammonia loop is modelled including high-pressure separation of ammonia by cooling and the effect of Argon and Methane impurities. A colder recovery lowers the reactor inlet concentration at the reactor inlet. Here we obtained 5% ammonia at the inlet and 15% at the outlet. Note that the steam reformer, shift and methanation reactors are modeled with simple, fixed conversion reactors. When equilibrium constants are entered proper equilibrium reactors could be used. Similarly, the CO2 removal unit is modeled using a simple component splitter. This absorber actually uses MDEA and also involves a regenerator.
Source: http://www.chemsep.org/

preview...
Simple electrolyzer flowsheet with BOP cooling
fsdElectrolyzer.fsd COFE, COUSCOUS, CORN, TEA Electrolyzer stack modelled as a simple fixed conversion reactor with a stream splitter. Stack inefficeincy is managed by a side calculation. Flowsheet is used by specifying the available electrical power and the assumed stack efficiency (Based on HHV). The flowheet then calculates the theoretical water consumption, hydrogen production, the required waste heat cooling demand, cooling water flow and estimated pumping power.
The flowsheet relies on and demonstrates usage of controllers, measure units, information calculators and flow constraints.
Author: Anders Andreasen

preview...
CO2 compression, dehydration, purification and liquefaction
fsdCO2_compression_liquefaction_Andreasen_2025.fsd COFE, COUSCOUS, ChemSep, TEA Flowsheet of CO2 compression, dehydration, purification and liquefaction for transport and storage.
The CO2 is sourced from the stripper overhead from a amine CO2 capture unit. Compression is achieved by multi-stage compression (integrally geared) with interstage cooling and condensate knock-out. Before dehydration, the CO2 is cooled in a direct contact cooler (DCC) using chilled water. Dehydration is modelled as desiccant drying with one bed on-line and one-bed in regeneration mode using heated dry-CO2. The dry CO2 is purified in a distillation process using heat from the CO2 inlet as reboiler energy and the CO2 is fed to the top condenser. In the process, non-condensable gases are removed with the main target of achieving 10 ppm O2 in the liquid CO2 product. The target for condenser reflux is below 1% CO2 vent losses. The purified CO2 is reduced in pressure to meet the desired tank capacity with cooling applied to avoid flashing. Cooling for the chilled water and the CO2 liquefaction and sub-cooling is provided by a two-stage/cascade ammonia refrigeration loop.
The dehydration step is not rigorously modelled and for a more accurate heat and mass balance detailed modelling should be applied e.g. by following the guidance in the GPSA Engineering Databook. The amount of impurities have been aligned with Porter et al., (2015). The range and level of impurities in CO2 streams from different carbon capture sources. See also International Journal of Greenhouse Gas Control, 36. 161 - 174. For more simple evaluations of heat and mass balances the guidance provided by Andreasen, Bonto and Montero (2025), A framework for optimisation and techno-economic analysis of CO2 pressurisation strategies for pipeline transportation, Sci. Tech. Energ. Transition, Vol. 80, can also be followed.
Author: Anders Andreasen

preview...
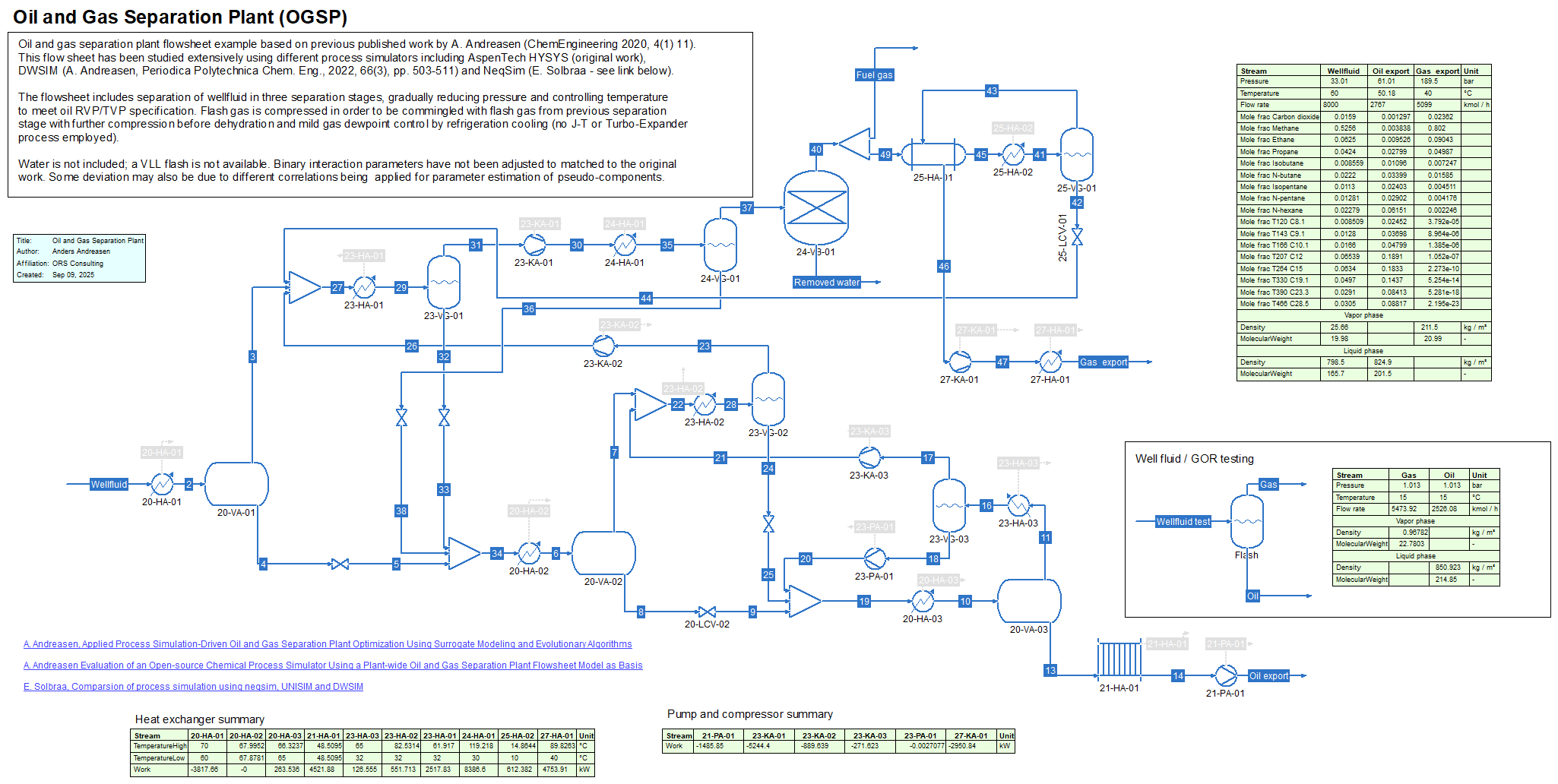
Oil and gas separation plant
fsdOGSP_Andreasen_2025.fsd COFE, COUSCOUS, ChemSep Oil and gas separation plant flowsheet example based on previous published work by A. Andreasen (ChemEngineering 2020, 4(1) 11). This flow sheet has been studied extensively using different process simulators including AspenTech HYSYS (original work), DWSIM (A. Andreasen, Periodica Polytechnica Chem. Eng., 2022, 66(3), pp. 503-511) and NeqSim (E. Solbraa).
The flowsheet includes separation of wellfluid in three separation stages, gradually reducing pressure and controlling temperature to meet oil RVP/TVP specification. Flash gas is compressed in order to be commingled with flash gas from previous separation stage with further compression before dehydration and mild gas dewpoint control by refrigeration cooling (no J-T or Turbo-Expander process employed).
Water is not included; a VLL flash is not available. Binary interaction parameters have not been adjusted to matched to the original work. Some deviation may also be due to different correlations being applied for parameter estimation of pseudo-components.
Author: Anders Andreasen

preview...
Green Ammonia Synthesis
fsdgreen-NH3.fsd COFE, COUSCOUS, CORN, ChemSep-COPP Green Ammonia is produced using green hydrogen from 1 GW electricity, air and water. Hydrogen is produced via electrolysis of water and nitrogen is produced via cryogenic air separation. Ammonia is produced using a three-bed quench / cold-shot process, inspirated by Morud and Skogestad (AIChe Journal Vol. 44, No. 4), Araujo and Skogestad (comp. chem. engng., 2008), and Temkin-Pyzhev kinetics from Bischoff & Froment "Chemical Reactor Analysis and Design" 2nd edition.
The reaction conditions and bed heights mimic those applied in Morud and Skogestad, using a higher inlet temperature/higher degree of pre-heating. The full ammonia loop is modelled including high-pressure separation of ammonia by cooling. Ammonia is recovered from purge and flash gas by scrubbing with water and subsequent distillation. This flowsheet is based on three separate flowsheets that were modified and combined, and it assumes cold sea water is available for cooling. The air separation has been modified from the original file in order to increase the production of gasseous nitrogen and discarding production of oxygen and argon.
The achieved specific energy requirement for nitrogen generation at 5.3 bara is 0.232 kWh/Nm3 which is in good agreement with cited nitrogen generation efficiencies (Messer and TAIYO NIPPON SANSO Technical Report No.41, 2022). The ammonia refrigeration unit cools the syngas stream to 1 C in order to separate ammonia from the mixture (the refrigeration unit has not been modeled). The specific energy consumption for ammonia synthesis accounting for nitrogen and syngas compression but excluding nitrogen generation and electrolysis, is 310 kWh/t NH3, also in good agreement with established data by the Danish Energy Agency).
Source: http://www.chemsep.org/

preview...
Formaldehyde synthesis by partial oxidation of methanol over a silver catalyst
fsdFormaldehyde_synthesis.fsd COFE, COUSCOUS, CORN, ChemSep, TEA Process simulation of the partial oxidation of methanol over a silver catalyst. The modelled process is mimicking the BASF water ballast process, in which excess steam is used, with almost full conversion of methanol. The formaldehyde produced in the reactor is separated with the bulk water in an absorber column with cooled side-draws/pump-around. In the current model a few flash operations are sufficient to provide the desired separation.
The excess water is supplied to the separation process to polish/wash out formaldehyde and methanol before the tail gas is combusted to produce heat/steam. The reactor is operated around 700\deg;C, and in order to do so, substantial pre-heating/super-heating of the feed stream of evaporated methanol/water mixed with air is necessary.
To keep the exothermic reaction sustained at this elevated temperature a preheating to to 350-400oC is required. The main input and reaction conditions have been sourced from Miller et al. The model utilises am isothermal PFR with the kinetics scheme derived by Andreasen et al. based on surface science and micro-reactor experiments. The pre-factors of the two consequtive reactios have been modified relatively in order to match the selectivity and yield at industrial conditions better.
Author: Anders Andreasen

preview...